執行元件 — SDA系列薄型氣缸
訂貨型號

技術參數
| 內徑(mm) | 12 | 16 | 20 | 25 | 32 | 40 | 50 | 63 | 80 | 100 | |
| 動作型式 | 復動型 | ||||||||||
| 工作介質 | 壓縮空氣(經40Mm以上濾網過濾) | ||||||||||
| 使用壓力范圍 | 復動型 | 0.1~1.0MPa(15~145psi)(1.0~10.0bar)(1~10kgf/cm2) | |||||||||
| 單動型 | 0.2~1.0MPa(28~145psi)(2.0~10.0bar) | ||||||||||
| 保證耐壓力 | 1.5MPa(215psi)(15bar) | ||||||||||
| 工作溫度 | -5~60℃(未凍結) | ||||||||||
| 使用速度范圍mm/s | 復動型:30~500、單動型:50~500 | ||||||||||
| 行程公差范圍 | 0~+1.0 | ||||||||||
| 緩沖型式 | 防撞墊 | ||||||||||
| 接管口徑 | M5x0.8 | G1/8 | G1/4 | G3/8 | |||||||

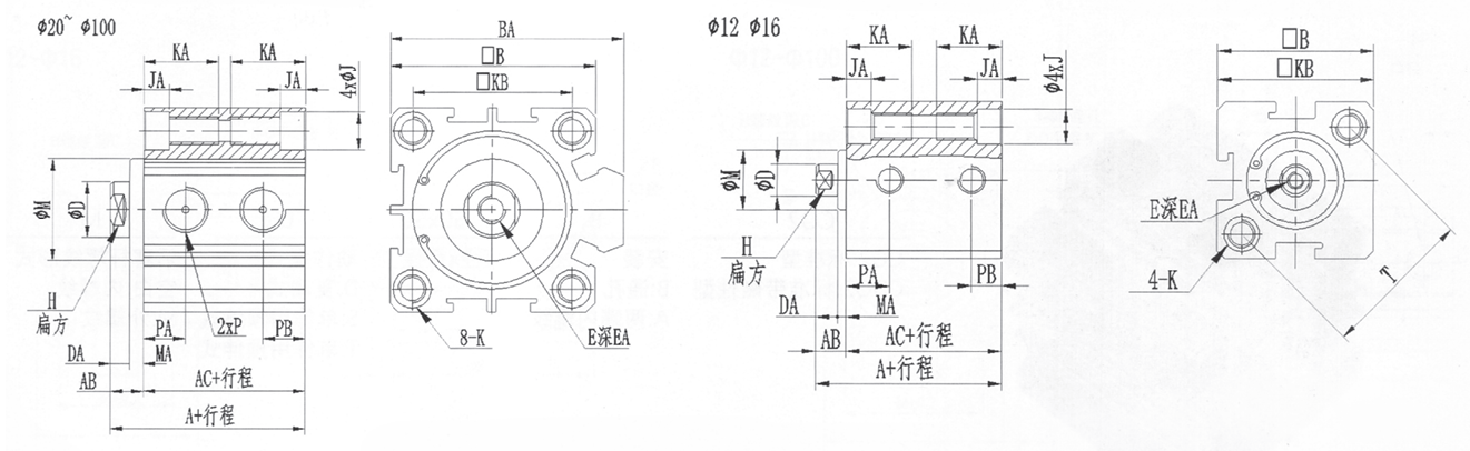
| A | AB | AC | B | BA | D | DA | E | EA | H | J | JA | KA | KB | M | MA | P | PA | PB | T | ||||
| 標準 | 附磁 | 標準 | 附磁 | St=5 | St>5 | St=5 | St>5 | ||||||||||||||||
| 22 | 32 | 5 | 17 | 27 | 25 | - | 6 | 4 | M3 x 0.5 | 6 | 5 | 6.5 | 4.5 | 12 | 16.3 | 10.2 | 1 | M5x0.8 | 7.5 | 7.5 | 5 | 5 | 23 |
| 24 | 34 | 5.5 | 18.5 | 28.5 | 29 | - | 6 | 4 | M3 x 0.5 | 6 | 5 | 6.5 | 4.5 | 12 | 19.8 | 11 | 1.5 | M5x0.8 | 8 | 8 | 5 | 5.5 | 28 |
| 25 | 35 | 5.5 | 19.5 | 29.5 | 34 | 36 | 8 | 4 | M4x0.7 | 8 | 6 | 6.5 | 4.5 | 14 | 24 | 13 | 1.5 | M5x0.8 | 8 | 9 | 5 | 5.5 | - |
| 27 | 37 | 6 | 21 | 31 | 40 | 42 | 10 | 4 | M5x0.8 | 10 | 8 | 8.2 | 5.5 | 15 | 28 | 17 | 2 | M5x0.8 | 9 | 9 | 5.5 | 5.5 | - |
| 31.5 | 41.5 | 7 | 24.5 | 34.5 | 44 | 50 | 12 | 4.5 | M6x1.0 | 12 | 10 | 8.2 | 5.5 | 16 | 34 | 22 | 2.5 | PT1/8 | 9 | 9 | 6.5 | 9 | - |
| 33 | 43 | 7 | 26 | 36 | 52 | 58.5 | 16 | 4 | M8x1.25 | 12 | 14 | 10.5 | 6.5 | 20 | 40 | 28 | 3 | PT1/8 | 9.5 | 9.5 | 7.5 | 7.5 | - |
| 37 | 47 | 9 | 28 | 38 | 62 | 71.5 | 20 | 5 | M10x1.5 | 15 | 17 | 10.5 | 6.5 | 25 | 48 | 38 | 4 | PT1/4 | 8 | 10.5 | 8 | 10.5 | - |
| 41 | 51 | 9 | 32 | 42 | 75 | 84.5 | 20 | 5 | M10x1.5 | 15 | 17 | 10.5 | 6.5 | 25 | 60 | 40 | 4 | PT1/4 | 9.5 | 12 | 9.5 | 11 | - |
| 52 | 62 | 11 | 41 | 51 | 94 | 104 | 25 | 6 | M14x1.5 | 20 | 22 | 17 | 11 | 25 | 74 | 45 | 5 | PT3/8 | 11.5 | 14.5 | 11.5 | 14.5 | - |
| 63 | 73 | 12 | 51 | 61 | 114 | 124 | 32 | 7 | M18x1.5 | 20 | 27 | 19 | 13 | 30 | 90 | 55 | 5 | PT3/8 | 16 | 20.5 | 16 | 20.5 | - |

| 內徑 (mm) | B2 | E | F | G | H | I | J | K2 | L | M | V | W |
| 12 | 17 | 16 | 4 | 1 | 10 | 8 | 4 | M 5×0.8 | 10.2 | 2.8 | 6 | 5 |
| 16 | 17.5 | 16 | 4 | 1.5 | 10 | 8 | 4 | M5×0.8 | 11 | 2.8 | 6 | 5 |
| 20 | 20.5 | 19 | 4 | 1.5 | 13 | 10 | 5 | M6×1.0 | 15 | 2.8 | 8 | 6 |
| 25 | 23 | 21 | 4 | 2 | 15 | 12 | 6 | M8×1.25 | 17 | 2.8 | 10 | 8 |
| 32 | 25 | 22 | 4 | 3 | 15 | 17 | 6 | M10×1.25 | 22 | 2.8 | 12 | 10 |
| 40 | 35 | 32 | 4 | 3 | 25 | 19 | 8 | M14×1.5 | 28 | 2.8 | 16 | 14 |
| 50 | 37 | 33 | 5 | 4 | 25 | 27 | 11 | M18×1.5 | 38 | 2.8 | 20 | 17 |
| 63 | 37 | 33 | 5 | 4 | 25 | 27 | 11 | M18×1.5 | 40 | 2.8 | 20 | 17 |
| 80 | 44 | 39 | 6 | 5 | 30 | 32 | 13 | M22×1.5 | 45 | 4 | 25 | 22 |
| 100 | 50 | 45 | 7 | 5 | 35 | 36 | 13 | M22×1.5 | 55 | 4 | 25 | 27 |

| 內徑(mm) | A | AB | AC | AD | E | EA | FA | M | MA | PA | R | ||||
| 標準 | 附磁 | 標準 | 附磁 | Stw10 | St>10 | St=5 | St>5 | ||||||||
| 12 | 40 | 50 | 5 | 17 | 27 | 17 | M3 × 0.5 | 6 | 6 | 4 | 10.2 | 1 | 5.5 | 6.3 | M5×0.8 |
| 16 | 42.5 | 52.5 | 5.5 | 18.5 | 28.5 | 17 | M3 × 0.5 | 6 | 6 | 4 | 11 | 1.5 | 6.5 | 7.3 | M5×0.8 |
| 20 | 47.5 | 57.5 | 5.5 | 19.5 | 29.5 | 21 | M4×0.7 | 8(St=5 時6.5) | 5 | 15 | 1.5 | 7.5 | 7.5 | M6×1.0 | |
| 25 | 54 | 64 | 6 | 21 | 31 | 25 | M5×0.8 | 10(St=5 時7) | 6 | 17 | 2 | 8 | 8 | M8×1.25 | |
| 32 | 61.5 | 71.5 | 7 | 24.5 | 34.5 | 27 | M6×1.0 | 8 | 12 | 6 | 22 | 3 | 8 | 9 | M10×1.25 |
| 40 | 64 | 74 | 7 | 26 | 36 | 28 | M8×1.25 | 8 | 12 | 7 | 28 | 3 | 8 | 10 | M12×1.25 |
| 50 | 70 | 80 | 9 | 28 | 38 | 29 | M10×1.5 | 8 | 15 | 8 | 38 | 4 | 8 | 10.5 | M16×1.5 |
| 63 | 74 | 84 | 9 | 32 | 42 | 29 | M10×1.5 | 10 | 15 | 8 | 40 | 4 | 9.5 | 11.8 | M16×1.5 |
| 80 | 92.5 | 102.5 | 11 | 41 | 51 | 35.5 | M14×1.5 | 13 | 20 | 10 | 45 | 5 | 11.5 | 14.5 | M20×1.5 |
| 100 | 110.5 | 120.5 | 12 | 51 | 61 | 42.5 | M18×1.5 | 18 | 20 | 13.5 | 55 | 5 | 16 | 20.5 | M27×2.0 |